Дверь скрытого монтажа грунт 2,11 м AL кромка black, revers 54 мм
| Производитель | Терем |
| Толщина полотна | 54 мм |
- Описание
- Характеристики
- Гарантия низкой цены
- Оплата
- Доставка
Описание
Комбинированный каркас из массива хвойных пород и МДФ 6 мм с усилением под замок. Полотно укомплектовано магнитным замком Punto (Россия) WC. В комплекте с коробкой идут 2 скрытые петли. Торец прямой или с четвертью, в зависимости от толщины полотна. Полотно облицовано влагостойким противоударным UV-грунтом, отличающимся повышенной физической и химической стойкостью.
При заказе полотна возможна замена замка на AGB (Италия) WC, цену уточняйте у менеджера!
При заказе полотна необходимо указать вид замка - под цилиндр или под фиксатор.
При заказе полотен высотой 2350 мм и выше прямого открывания и полотен всех размеров обратного открывания необходимо указывать сторонность (левая/правая)
Двери могут быть прямого (на себя) и обратного открывания (от себя)
-Толщина полотна для прямого открывания 42 мм до 2310 мм включительно с прямым притвором
-Толщина полотна для обратного открывания 54 мм до 2310 мм включительно с четвертью (обратный притвор)
Данная толщина сохраняет геометрию полотна и неизменность конструкции при дальнейшей доработке и эксплуатации.
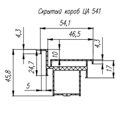
Схема скрытой алюминиевой коробки:
|
Короб ЦА (цельно алюминиевый, уплотнитель DEVENTER -Германия) 39/59 прямого и обратного открывания |
Короб ЦА (цельно алюминиевый, уплотнитель DEVENTER -Германия) 541 прямого и обратного открывания |
|
|
Характеристики
| Артикул | 237012 |
| Производитель | Терем |
| Толщина полотна | 54 мм |
| Тип двери | гладкая |
| Кромка | AL черная |
| Открывание двери | внутреннее |
Планируете разместить заказ в наших магазинах или уже разместили его, но нашли цену на аналогичный товар дешевле?
Мы готовы к диалогу!
Мы проверим данную информацию на достоверность и, в случае положительного решения, снизим цену до цены конкурента.
В Москве и Московской области вы можете оплатить заказ при получении наличными или банковской картой.
Возможна форма безналичного расчета, для выставления счета необходимо обратиться к нашему менеджеру.
Так же работаем с юридическими лицами по безналичному расчету, с НДС.
Обращаем Ваше внимание, что если Вы хотите оплатить заказ в терминале или салоне связи, либо в отделении банка, то вначале необходимо получить счет на выбранный товар.
Возможна покупка в кредит.
Осуществляем доставку входных и межкомнатных дверей по Москве и Московской области, в рабочие дни, с понедельника по пятницу с 9:00 до 20:00ч.
За день до привоза дверей логисты свяжутся с Вами и сориентируют по времени с интервалом 3-4 часа.
Доставка не заказных позиций осуществляется в течении трех рабочих дней или дата доставки оговаривается с заказчиком в момент оформления заказа.
Доставка заказного товара, осуществляется согласно срокам, прописанным в договоре, при оформлении.
Доставка товара в регионы России осуществляется транспортными компаниями, ведущими деятельность в данных регионах. Сроки доставки оговариваются с покупателями. Более детальную информацию можно узнать у менеджеров.
Правила приема товара:
Доставка, осуществляющаяся до квартиры: перед подписанием Акта приема-передачи владельцем, либо доверенным его лицом, проверить Товар на наличие механических повреждений, заводских дефектов, согласно допускам данного производителя. Так же проверить количество и размеры полотен, комплектующих к ним, указанных в заказе, спецификации. Подписать Акт приема-передачи.
Доставка, осуществляющаяся до первого препятствия (подземный паркинг, калитка, ворота, шлагбаум и т.д.): вся процедура осмотра идентична, как и в случае с доставкой до квартиры. Осмотр производится у машины и подписывается Акт приема-передачи.
Согласно ГОСТ 475-2016 - осмотр дверей производится на расстоянии 1,5 м, если явные дефекты имеются, то указать это в Акте приема-передачи сразу, мы примем оперативные меры по устранению недостатков или привезем недостающие комплектующие.
После подписания Акта приема-передачи претензии по составу заказа, механическим повреждениям изделий не принимаются!
Гарантийное обязательство на самопроизвольное отслоение, растрескивание, вздутие покрытия, деформацию полотна, возникшие в следствии правильного пользования, со сроком на один год сохраняется на протяжении всего срока!
ВАЖНО:
- сохраняйте упаковки до окончания монтажа дверей.
Оплата за товар:
Полную оплату или доплату за Заказ следует произвести при доставке водителю наличными.При оплате по QR коду или перечислением на расчетный банковский счет по реквизитам, Заказ должен быть оплачен за 2 рабочих дня до планируемой даты доставки.
ВАЖНО! Самостоятельный подъем, перенос, провоз дверей:
Изделия доставляют и поднимают обученные люди, следуя обязательным правилам безопасного обращения с дверьми!
Недопустимо вынимать полотна из машины под наклоном, ставить дверь на угол, кидать под своим весом на пол, насильно затаскивать в лифт, ударять о двери и стенки лифта, провозить двери на тележках, машинах с платформой меньше площади самих дверей, перевозить установив полотна на торцы, наступать на двери, класть острые предметы в следствии чего появятся - скрытое повреждение в конструкции двери, растрескивание соединительных деталей полотна, замятие углов, повреждение финишного покрытия!
Отказ от доставленного товара:
В случае Вашего отказа от покупки в момент фактического получения заказа по причинам, не зависящим от магазина (т.е. курьер прибыл в условленное время и доставленный товар обладает надлежащим качеством), Вам необходимо будет оплатить (на основании пункта 4 статьи 497 ГК РФ) стоимость доставки.
Недавно просмотренные товары
Наши преимущества
Банк Тинькофф
Схема системы действующих рассрочек:
| Срок | 6 мес. | 9 мес. | 12 мес. | 15 мес. | 18 мес. | 21 мес. |
| Необходимый первоначальный взнос, % | 0% | 30% | 45% | 55% | 60% | 65% |
Работа с юр. лицами по перечислению происходит по 100% предоплате.






































